Flänsfodrad fluorkulventil
Flänsfodrad fluorkulventil
Korrosionsbeständiga fluorfodrade kulventiler är designade för öppnings- och stängningskontroll av olika mycket korrosiva mediarörledningar
Den inre håligheten och kulan på den fluorfodrade kulventilen är fodrad med korrosionsbeständig och åldringsbeständig polyperfluoretylen-propylen (F46) med hjälp av en högtrycksformsprutningsprocess, så de har tillförlitlig korrosionsbeständighet och tätningsegenskaper. Det används i stor utsträckning inom kemisk industri, petroleum, metallurgi, medicin och andra industrisektorer för att reglera eller skära bort starka frätande medier som syror och alkalier under produktionsprocessen. Den mest uppenbara effekten är kontroll av vattenreningsprocesser.
[Huvudkomponentmaterial i flänsfodrad fluorkulventil]
| Delnamn | Material |
| ventilkropp | Gjutstål, rostfritt stål, fodrad med F46, F3 |
| Kula med stav | Gjutstål, rostfritt stål, fodrad med F46, F3 |
| Fyll i soptunnan | Gjutstål, rostfritt stål, fodrad med F46, F3 |
| tätningsring | F4 |
| fyllmedel | F4 |
| hantera | gjutstål |





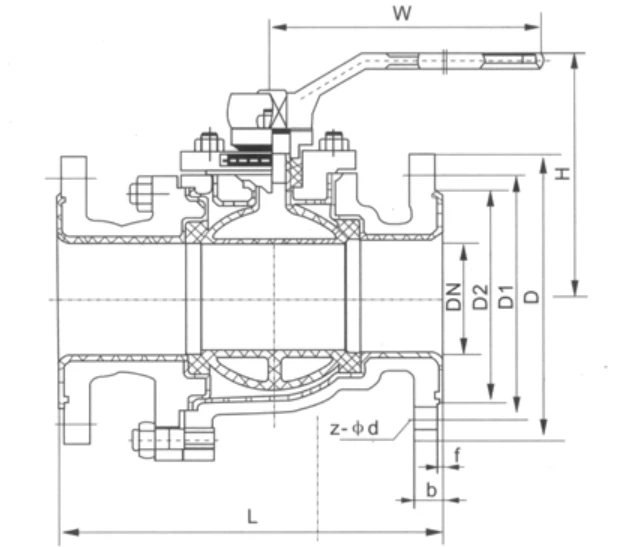
[Huvudanslutningsmått för flänsfodrad fluorkulventil]
| Nominell diameter | PN1.6(MPa) Huvuddimensioner och anslutningsmått (mm) | vikt | ||||||||
| DN | L | D | D1 | D2 | f | b | Z-φd | H | L0 | kg |
| 10 | 130 | 90 | 60 | 41 | 3 | 14 | 4-φ14 | 90 | 140 | 3.5 |
| 15 | 130 | 95 | 65 | 45 | 3 | 14 | 4-φ14 | 95 | 140 | 4 |
| 20 | 140 | 105 | 75 | 55 | 3 | 14 | 4-φ14 | 98 | 150 | 4.5 |
| 25 | 150 | 116 | 85 | 65 | 3 | 16 | 4-φ14 | 113 | 150 | 5.5 |
| 32 | 165 | 135 | 100 | 78 | 3 | 18 | 4-φ18 | 130 | 200 | 7 |
| 40 | 180 | 145 | 110 | 85 | 3 | 18 | 4-φ18 | 135 | 230 | 9 |
| 50 | 200 | 160 | 125 | 100 | 3.5 | 20 | 4-φ18 | 140 | 250 | 15 |
| 65 | 220 | 180 | 145 | 120 | 3.5 | 20 | 4-φ18 | 145 | 270 | 17 |
| 80 | 250 | 195 | 160 | 135 | 4 | 22 | 8-φ18 | 205 | 300 | 30 |
| 100 | 280 | 215 | 180 | 155 | 4 | 24 | 8-φ18 | 230 | 350 | 40 |
| 125 | 320 | 245 | 210 | 185 | 4 | 26 | 8-φ18 | 252 | 400 | 60 |
| 150 | 360 | 280 | 240 | 210 | 4 | 28 | 8-φ23 | 283 | 600 | 75 |
| 200 | 400 | 335 | 295 | 265 | 5 | 32 | 12-φ23 | 325 | 700 | 130 |
| 250 | 450 | 405 | 355 | 320 | 5 | 36 | 12-φ26 | 370 | 800 | 160 |
| 300 | 500 | 460 | 410 | 375 | 5 | 36 | 12-φ26 | 420 | 1000 | 220 |
Populära Taggar: flänsfodrad fluorkulventil, Kina flänsfodrad fluorkulventil, tillverkare, leverantörer, fabrik, Bollventilutvärdering, bollventilpartnerskap, bollventilbetyg, Bollventilens manual, slitstödkullventil, bollventilpris
You Might Also Like
Skicka förfrågan


